Yamaha Outboard Model Parts

All Yamaha FL200BET Outboard Parts

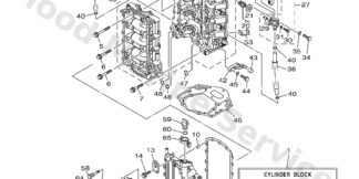
Below is a selection of genuine Yamaha parts that are used on the FL200BET outboard engine. You can filter by keyword (for example, impeller, anode, fuel, etc.) or restrict results to a particular engine section.

Part number: 6P215411019S
£1,274.50 (£1,529.40 inc UK vat)
Part number: 6P2154810000
£8.69 (£10.43 inc UK vat)
Section: Valve
Part number: 6P2155120000
£134.01 (£160.81 inc UK vat)
Part number: 6P22134X0000
£79.01 (£94.81 inc UK vat)
Part number: 6P2241350000
£11.99 (£14.39 inc UK vat)
Part number: 6P2241360000
£11.99 (£14.39 inc UK vat)
Part number: 6P2241370000
£27.59 (£33.11 inc UK vat)
Part number: 6P22416A0000
£61.21 (£73.45 inc UK vat)
Part number: 6P2241700000
£120.72 (£144.86 inc UK vat)
Part number: 6P22419A0000
£44.05 (£52.86 inc UK vat)
Part number: 6P2243000100
£38.06 (£45.67 inc UK vat)
Section: Fuel 1
Part number: 6P2243135000
£35.89 (£43.07 inc UK vat)